产品中心

关键词:

服务热线

0578-6851188

手机:

邮箱:sale04@xinghezk.cn

QQ:

地址:浙江省丽水市青田县东源镇项村工业区6号

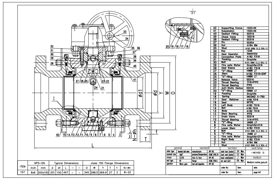
API 6D 不锈钢固定式球阀
API 6D 不锈钢固定式球阀
在线咨询

咨询热线:0578-6851188

产品详情
  • 34bf2e7804f5d79639528411c57f4bd9.jpg

    34bf2e7804f5d79639528411c57f4bd9.jpg

×

FREE CONSULTATION

免费咨询

欢迎您留言咨询,请填写以下信息,我们收到后会第一时间与您联系!

公司名称:
联系人:
手机号码:
咨询产品: